- 16 -Enders, Bernd: Die Klangwelt des Musiksynthesizers 
  Erste Seite (0) Vorherige Seite (15)Nächste Seite (17) Letzte Seite (169)      Suchen  Nur aktuelle Seite durchsuchen Gesamtes Dokument durchsuchen     Aktuelle Seite drucken Hilfe 

werden. Ein Mikrophon gibt dagegen zu wenig Spannung ab, so daß erst
vorverstärkt werden müßte.)

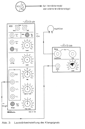
Mit dem danebenliegenden ,Level'-Regler können wir die Lautstärke des
Klangsignals regeln, das wir entweder mit einem Kopfhörer (engl. Head-
phones) oder dem Lautsprechermodul des Soundlab-Systems abhören können
(Abb. 3).


Erste Seite (0) Vorherige Seite (15)Nächste Seite (17) Letzte Seite (169)      Suchen  Nur aktuelle Seite durchsuchen Gesamtes Dokument durchsuchen     Aktuelle Seite drucken Hilfe 
- 16 -Enders, Bernd: Die Klangwelt des Musiksynthesizers